In questa sezione puoi visualizzare le crociere cardaniche per alberi cardanici, i giunti cardanici a crociera e semiassi e tutta la gamma prodotti Della Concordia o richiedere il nostro catalogo cartaceo
Aggiungi al blocco appunti
CR 794
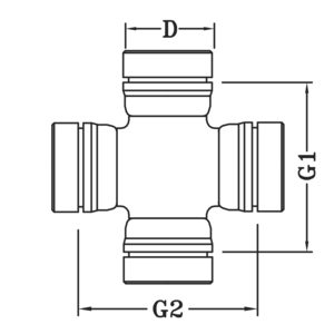
Tipologie di crociera:
Crociere a boccole con bloccaggio internoDimensioni:
| Diametro (mm): | 30,93 |
|---|---|
| Lunghezza (mm): | 85,00 |
| G1: | 47,00 |
| G2: | 52,00 |
Codici originali:
| Auto e Autocarri | |
| VOLVO PENTA | 3843136 |
|---|---|
I particolari descritti non sono originali ma perfettamente intercambiabili. I riferimenti originali sono indicati a puro titolo informativo.

