In questa sezione puoi visualizzare le crociere cardaniche per alberi cardanici, i giunti cardanici a crociera e semiassi e tutta la gamma prodotti Della Concordia o richiedere il nostro catalogo cartaceo
Aggiungi al blocco appunti
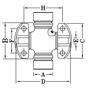
CR 150
Tipologie di crociera:
Crociere a bloccaggio mistoDimensioni:
| Diametro (mm): | 115,06 |
|---|---|
| A: | 33,30 |
| C: | 60,40 |
| E: | 14,20 |
| F: | 42,90 |
| H: | 88,90 |
Codici originali:
| Auto e Autocarri | |
| FIAT | 4463536 |
|---|---|
| FIAT | 9986818 |
Applicazione:
5Cblocchetti alti
fori passanti
2xHWD
Semiasse posteriore Fiat 1107 "Nuova Campagnola" (1974-1987)
I particolari descritti non sono originali ma perfettamente intercambiabili. I riferimenti originali sono indicati a puro titolo informativo.


